- Технические характеристики и другая информация предоставляются для справки.
- Чертежи и изображения представлены для ознакомления
Подшипник скольжения сферический GAKFR 6 PB
Подшипник скольжения сферический GAKFR 6 PB конструкция которого представлена внешним кольцом, внутри вращается внутренняя обойма. Существуют прямые, шарнирные (самовыравнивающиеся), угловые, гидравлические, двойные шарикоподшипниковые и роликоподшипниковые варианты исполнения. Отдельные разновидности изделий (с парой трения «сталь – сталь») нуждаются в обслуживании и имеют каналы для подачи смазки, в то время как другие не нуждаются в ТО. В первом случает система включает в себя пару стальных шин, обработанную предварительно фосфатами и дисульфитом молибдена. Необслуживаемые модели покрываются политетрафторэтиленом, армируются медью и дополнительно усиливаются хромом.
Каковы преимущества Подшипник скольжения сферический GAKFR 6 PB?
- Деталь самоцентрируется в процессе монтажа, автоматически устраняя перекосы вала и несоосность.
- Воспринимает одновременно нагрузки разнонаправленного типа: аксиальную и действующую в обоих направлениях осевую.
- Отличается крайне высокой износостойкостью, минимальной ползучестью и способностью работать в ударных темпах.
Покупайте Подшипник скольжения сферический GAKFR 6 PB ГОСТ или его (аналоги ISO) по выгодной цене, также заказывайте другие изделия среди модельного ряда нашего онлайн-каталога от производителей FAG, KOYO, NSK, SKF, SNR!
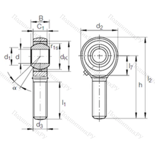
Технические характеристики
Обозначение : GAKFR 6 PB
Размеры, мм : 6x16x9
Производитель : INA
Диаметр внутренний, мм : 6
Диаметр наружный, мм : 16
Высота, мм : 9
Технические данные из каталога производителя :
Внутренний диаметр (d) - 6 мм.
Наружный диаметр (D) - 16 мм.
Ширина (высота) (B) - 9 мм.
Размер (d1) - 8,9 мм.
Размер (d2) - 20 мм.
Размер (dk) - 12,7 мм.
Размер (h) - 36 мм.
Размер (l1 min.) - 21 мм.
Размер (l2 max.) - 46 мм.
Размер (r1 min.) - 0,3 мм.
Размер (C1) - 6,75 мм.
Резьба (G) - M6
Угол наклона - 13 Градусы
Масса - 0,02 Кг
Грузоподъемность динамическая (C) - 4,3 кН
Грузоподъемность статическая (C0) - 6,92 кН
Уплотнение - Нет
|
Производитель
|
INA |
|
Ширина B
|
9 |
|
Внешний диаметр D
|
16 |
|
Внутренний диаметр d
|
6 |
|
Размер
|
6x16x9 |
|
Вес, кг
|
0.02 |
|
Модель
|
GAKFR-6-PB-INA |
|
SKU
|
GAKFR-6-PB-INA |
|
Диаметр вала d1
|
8,9 мм. |
Похожие по размеру
Оформить заказ на нашем сайте легко. Просто добавьте выбранные товары в корзину, а затем перейдите на страницу Корзина, проверьте правильность заказанных позиций и нажмите кнопку «Оформить заказ» или «Быстрый заказ».
Функция «Быстрый заказ» позволяет покупателю не проходить всю процедуру оформления заказа самостоятельно. Вы заполняете форму, и через короткое время вам перезвонит менеджер магазина. Он уточнит все условия заказа, ответит на вопросы, касающиеся качества товара, его особенностей. А также подскажет о вариантах оплаты и доставки.
По результатам звонка, пользователь либо, получив уточнения, самостоятельно оформляет заказ, укомплектовав его необходимыми позициями, либо соглашается на оформление в том виде, в котором есть сейчас. Получает подтверждение на почту или на мобильный телефон и ждёт доставки.
Если вы уверены в выборе, то можете самостоятельно оформить заказ, заполнив по этапам всю форму.
Выберите из списка название вашего региона и населённого пункта. Если вы не нашли свой населённый пункт в списке, выберите значение «Другое местоположение» и впишите название своего населённого пункта в графу «Город». Введите правильный индекс.
В зависимости от места жительства вам предложат варианты доставки. Выберите любой удобный способ.
Оплата
Выберите оптимальный способ оплаты.
Введите данные о себе: ФИО, адрес доставки, номер телефона. В поле «Комментарии к заказу» введите сведения, которые могут пригодиться курьеру, например: подъезды в доме считаются справа налево.
Проверьте правильность ввода информации: позиции заказа, выбор местоположения, данные о покупателе. Нажмите кнопку «Оформить заказ».
Наш сервис запоминает данные о пользователе, информацию о заказе и в следующий раз предложит вам повторить к вводу данные предыдущего заказа. Если условия вам не подходят, выбирайте другие варианты.
